Поверка счетчиков воды
В.П.Каргапольцев, А.А.Мицкевич
Общий парк средств измерений расхода и количества жидкости в последние годы существенно увеличился за счет широкого применения расходомеров–счетчиков различных типов для коммерческого учета энергоресурсов (воды, тепла) и технологического учета жидкостей во внутризаводских системах автоматизации технологических процессов. Для всех таких приборов обязательной является первичная поверка при выпуске из производства и периодическая поверка или калибровка во время эксплуатации, т.е. метрологическая диагностика.
Процедура поверки водосчетчиков и расходомеров-счетчиков из состава теплосчетчиков включает в себя воспроизведение потока жидкости в широком диапазоне расходов, измерение параметров этого потока эталонными средствами измерений, обработку результатов. При большом объеме приборов поверка становится настолько трудоемкой, что неизбежно возникает вопрос о повышении эффективности поверочных работ и обеспечении достоверности результатов измерений.
Одним из способов решения этих вопросов может быть использование автоматизированных поверочных проливных установок [1]. На сегодняшний день конкретные требования, которым должна удовлетворять разрабатываемая автоматизированная поверочная установка, отсутствуют. Исходя из опыта производства и эксплуатации установок можно сформулировать следующие основные требования:
1) поверка расходомеров с выходными сигналами 0-10 В, 0(4)-5 (20) мА, 0-20000 Гц, RS 232 (485), «сухой контакт», «открытый коллектор», фотоэлектронный съем сигналов с устройств «звездочка»; с визуальным съемом показаний;
2) режимы поверки сличением - «старт-стоп с места» и «старт-стоп с хода», «старт-стоп» по визуальным показаниям;
3) максимальная степень автоматизации для повышения производительности установки, для обеспечения ее самотестирования;
4) возможность поверки всех встроенных эталонных средств измерений без их демонтажа с мест эксплуатации;
5) класс точности установок не ниже 0,05 % (в перспективе – 0,03 %);
6) два способа поверки - объемный и весовой;
7) наличие системы сглаживания пульсаций потока и деаэрации воды;
8) возможность создания в гидравлическом тракте установки давления, предусмотренного методиками поверки на поверяемые приборы;
9) контроль температуры и давления в лаборатории и измерительном тракте установки, введение соответствующих поправок при калибровке эталонных расходомеров для учета эффекта вытеснения воздуха и учета аэрированности применяемой в установке воды;
10) стабилизация поверочных расходов с заданной погрешностью;
11) ограничение доступа к программному обеспечению установки;
12) постоянно действующая система водоочистки для устранения из воды различных примесей;
13) изготовление металлоконструкции из коррозионно-стойких материалов;
14) применение экономичных малошумящих циркуляционных насосов;
15) использование преобразователей частоты с фильтрами радиопомех и сетевыми дросселями;
16) использование устройств для сигнализации и защитного отключения при аварийных ситуациях.
Рассмотрим устройство объемно-весовой поверочной установки на примере установки ВПУ (фото.1), разработанной и производимой ООО «ИТЦ «Промавтоматика» (г.Санкт-Петербург).

Фото 1. Поверочная проливная установка ВПУ-03 (г.Ставрополь).
Исходя из своего назначения, установка (рис. 1) должна обеспечивать поверку и настройку большого числа приборов различных типов, типоразмеров, имеющих различные выходные сигналы, и максимально обеспечивать потребности предприятия.

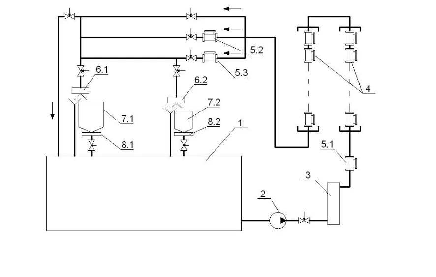
Рис. 1. Схема гидравлического контура установки ВПУ-03 с одним рабочим столом (г.Ставрополь): 1 - накопительный бак-резервуар для хранения и деаэрации рабочей жидкости; 2 – насос с регулируемым электроприводом; 3- ресивер для деаэрации и обеспечения стабильности расхода жидкости; 4 – рабочий стол с испытательными участками для поверяемых приборов; 5 – эталонные расходомеры; 6 – переключатели потока; 7 – накопительные емкости для поверки весовым методом; 8 – весоизмерительные устройства.
Из накопительного бака-резервуара 1 вода забирается насосом 2 и подается в ресивер 3. В ресивере происходит отделение взвешенного в воде воздуха, сглаживаются пульсации потока воды. По выходу из ресивера поток воды проходит через эталонный расходомер большого диаметра 5.1, поверяемые расходомеры (или водосчетчики) 4, закрепляемые на рабочем столе зажимным устройством. Далее поток воды через эталонные расходомеры 5.2 или 5.3 или обводной трубопровод поступает либо обратно в бак-резервуар 1 (при поверке методом сличения с эталонными расходомерами), либо через устройство переключения потока 6.1 или 6.2 в одну из накопительных емкостей 7.1 или 7.2, установленных на весоизмерительных устройствах 8.1 или 8.2 (при поверке весовым методом). В последнем случае вода после взвешивания накопительных емкостей 7 с водой на весоизмерительных устройствах 8 сливается обратно в бак-резервуар 1. Регулирование расхода воды осуществляется управлением частотой вращения насоса с регулируемым электроприводом 2.
При поверке методом сличения с показаниями эталонных расходомеров выполняются следующие операции:
- датчики (первичные преобразователи) поверяемых приборов 4 устанавливают на измерительный участок рабочего стола. Выходные цепи расходомеров 4 подключают к входным цепям контроллера поверочной установки (аналоговые, частотные, импульсные);
- с клавиатуры управляющего компьютера формируют задание на поверку приборов: - поверочные расходы; - число проливок на каждом поверочном расходе; - объем воды на каждом поверочном расходе; - погрешность стабилизации расхода; - передаточный коэффициент выходных сигналов поверяемых расходомеров;
- производят запуск режима поверки. После завершения проливки ее результаты выводятся на экран компьютера.
При поверке весовым методом сравнивают показания поверяемых расходомеров 4 с показаниями весоизмерительных устройств 8. Сигналы "старт" и "стоп" счета импульсов (или интеграции аналоговых, частотных сигналов) с поверяемых расходомеров 4 формируются датчиком, установленным на переключателях потока 6, при этом эталонные расходомеры 5 используются как контрольные приборы. До сигнала "старт" поток воды через переключатель потока 6 и пролетную трубу сливается в бак-резервуар 1. По сигналу "старт" происходит взвешивание пустой емкости 7 на весовом устройстве 8, затем следует мгновенный переброс потока воды в накопительную емкость 7. По сигналу "стоп" происходит обратный переброс потока воды на слив через пролетную трубу в бак-резервуар 1. После успокоения колебаний накопительной емкости 7 с водой происходит ее взвешивание на весоизмерительном устройстве 8, затем производится слив воды в бак-резервуар 1. После завершения поверки на экран компьютера выводятся интегрированные объемы по поверяемым расходомерам 4, объем по весоизмерительному устройству 8 (пересчитанный из измеренного веса воды), а также погрешности поверяемых расходомеров 4.
Номенклатурный ряд разработанных на основе вышеуказанных требований поверочных установок ВПУ включает установки с максимальным воспроизводимым расходом до 1000 мНазванные в первой части статьи требования к проливным поверочным установкам в большинстве своем являются необходимыми и учитываются при проектировании и производстве, но требуют периодических дополнений по результатам эксплуатации, поверок, круговых сличений установок. Только в этом случае можно рассчитывать, что установки различных производителей при поверке одного и того же прибора будут давать одинаковые результаты.
Литература.
1. Каргапольцев В. П., Требования к проливным установкам для расходомеров-счетчиков воды и технологических жидкостей, журнал «Нефтегазпромысловый инжиниринг», № 3 – 2004.
Авторы.
Каргапольцев Василий Петрович, директор, Мицкевич Алеся Александровна, заместитель директора ООО «Промавтоматика-Киров» (группа компаний «Взлет», г.Санкт-Петербург), Россия, 610021, г.Киров, ул.Воровского, 92, тел/факс (8332) 62-92-37, promavto-k@mail.ru, http://поверочная-установка.рф















